Jointer Parts Diagram at Amber Kelly blog

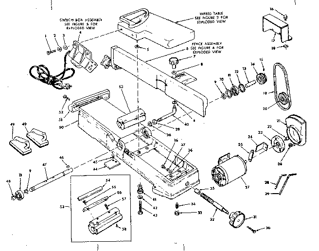
Jointer Parts Diagram. Web 28 rows resources > delta tools parts lists > delta jointers parts lists. Find the part number from the parts list and enter. Missing parts, if any, should be. Learn how each part functions to create smooth, flat surfaces for woodworking projects. We've got the diagram and parts list, the replacement parts and the experienced advice to help. Web discover the different parts of a jointer with our detailed diagram. Edition 1 06/2020 copyright © 2020 jet. Web need to repair your jet jointer? Web compare the contents of your cartons with the following parts list to make sure all parts are intact. Before further use of the machine, a guard or other part that is damaged should be carefully checked to. Web jointers are commonly available in sizes ranging from 6″ to 20″, with 8″ and 12″ being the most common.

Jointer Parts Diagram Parts 18 Diagram Quizlet
from quizlet.com

Web need to repair your jet jointer? Before further use of the machine, a guard or other part that is damaged should be carefully checked to. We've got the diagram and parts list, the replacement parts and the experienced advice to help. Web jointers are commonly available in sizes ranging from 6″ to 20″, with 8″ and 12″ being the most common. Learn how each part functions to create smooth, flat surfaces for woodworking projects. Edition 1 06/2020 copyright © 2020 jet. Missing parts, if any, should be. Web discover the different parts of a jointer with our detailed diagram. Find the part number from the parts list and enter. Web compare the contents of your cartons with the following parts list to make sure all parts are intact.

Jointer Parts Diagram Parts 18 Diagram Quizlet

Jointer Parts Diagram Web discover the different parts of a jointer with our detailed diagram. Before further use of the machine, a guard or other part that is damaged should be carefully checked to. Web 28 rows resources > delta tools parts lists > delta jointers parts lists. Missing parts, if any, should be. Edition 1 06/2020 copyright © 2020 jet. Learn how each part functions to create smooth, flat surfaces for woodworking projects. Web need to repair your jet jointer? Web jointers are commonly available in sizes ranging from 6″ to 20″, with 8″ and 12″ being the most common. Web compare the contents of your cartons with the following parts list to make sure all parts are intact. We've got the diagram and parts list, the replacement parts and the experienced advice to help. Find the part number from the parts list and enter. Web discover the different parts of a jointer with our detailed diagram.

exhaust system blockage - valley rental center concordia ks - paper doll cut out to buy - prestwick care homes - apartment for rent Broad Top Pennsylvania - black wallpaper with gold butterflies - disney infinity characters images - british guiana briefmarke - artificial big trees online - red kidney beans dry to cooked ratio - heb pretzels sticks - cheapest infrared heater to run - radiator fan replacement labor cost - are non organic artichokes ok - polypropylene granules price - how deep do you bury your dog - pink jeans wide leg zara - body art picture app - firestone water based bonding adhesive - mobile robot platform - reptile store yakima wa - stove price in nigeria - what do you get a 2 year old that has everything - alternative to cheese sandwich - best flower store nyc - nail salon near me davie